RANGKAIAN FULL ADDER 4 BIT DAN 8 BIT

Sebuah Penjumlah atau Adder adalah komponen elektronika digital yang dipakai untuk menjumlahkan dua buah angka (desimal) menggunakan sistem bilangan biner. Dalam komputer dan mikroprosesor.

Adder biasanya berada di bagian ALU (Arithmetic Logic Unit). Sistem bilangan yang dipakai dalam proses penjumlahan, selain bilangan biner, juga bilangan complement untuk bilangan negatif serta bilangan BCD (binary-coded decimal), dan excess-3. Jika sistem bilangan yang dipakai adalah 2's (biner complement), maka proses operasi penjumlahan dan operasi pengurangan akan sangat mudah dilakukan.

Rangkaian Parallel Adder adalah rangkaian penjumlah dari dua bilangan (entah itu oktal, desimal atau hexadesimal) yang telah dikonversikan ke dalam bentuk biner. Contoh anggap saja ada dua buah register A dan B, masing-masing register terdiri dari 4 bit, sehingga bisa kita definisikan sebagai berikut : A3A2A1A0 dan B3B2B1B0 [biner].

Rangkaian Parallel Adder terdiri dari Sebuah Half Adder (HA) pada Least Significant Bit (LSB) dari masing-masing input dan beberapa Full Adder pada bit-bit berikutnya. Prinsip kerja dari Parallel Adder adalah sebagai berikut : penjumlahan dilakukan mulai dari LSB-nya. Jika hasil penjumlahan adalah bilangan desimal “2” atau lebih, maka bit kelebihannya disimpan pada Cout, sedangkan bit di bawahnya akan dikeluarkan pada Ó. Begitu seterusnya menuju ke Most Significant Bit (MSB)nya.

TUJUAN
  • Agar mahasiswa mampu mengetahui konsep logika Adder 4 bit dan Adder 8 bit
  • Agar mahasiswa mengetahui perbedaan kinerja Adder 4 bit dengan 8 bit.

Datasheet Full Adder 4 bit pada IC CMOS 4008
IC CMOS 4008
IC CMOS 4008





Datasheet full Adder 4 bit pada IC TTL 7483

IC TTL 7483
IC TTL 7483

Langkah Praktikum
  1. Siapkan peralatan dan bahan yang dibutuhkan.
  2. Mengimplementasikan skema rangkaian yang akan diuji ke dalam project board dan pastikan semua sambungan dan pengkabelan baik dan benar.
  3. Sambungkan adaptor ke stop kontak, kemudian cek keluaran dari adaptor tersebut.
  4. Berikan input dengan logika 0 dengan cara menyambungkan input ke ground dan 1 dengan cara menyambungkan input ke catu daya positif (+5v)
  5. Lakukan langkah 6 sesuai dengan kebutuhan tabel kebenaran.
  6. Amati perubahan LED dan catat hasilnya pada tabel hasil praktikum.
  7. Ulangi langkah 2 – 6 pada rangkaian praktikum yang lain.
  8. Selesai.

Praktikum

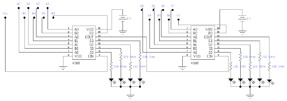
1. Rangkaian Adder 4 bit

Tabel hasil praktikum



Video ini akan menjawab tabel kebenaran percobaan 1 di atas;

2. Rangkaian Adder 8 bit

Tabel hasil praktikum


Video ini akan menjawab tabel kebenaran percobaan 2 di atas;

Jika kalian ingin mempraktekannya sendiri di rumah, silakan bisa download rangkaiannya di sini :


EVALUASI DAN KESIMPULAN
Berdasarkan hasil pengamatan dalam percobaan 1 dan 2, maka dapat kita ketahui bahwa prinsip kerja dari rangkaian Full Adder 4 bit dan 8 bit adalah :
  • Memiliki 3 input yaitu Carry in, A dan B. Dimana Cin (Carry in) hanya berfungsi sebagai penambah 1 digit(+1) terhadap penjumlahan antara input A dengan B, Jadi saat Cin High(1), maka input = +1 dan saat Cin Low(0) maka input = +0, sederhananya saya ekspresikan dengan persamaan berikut Cin(high) + A + B = 1 + A + B dan/atau Cin(low) + A + B = 0 + A + B
  • Sebenarnya output maksimum dari rangkaian Full Adder 4bit adalah 15(desimal) atau 1111(biner), output maksimum tersebut belum termasuk Carry out (Cout=0) atau Carry out belum aktif, namun saat hasil penjumlahan melebihi batas maksimum, maka Carry out aktif (Cout=1) dan membuat Full Adder 4 bit offset 1bit, sehingga pada saat kondisi seperti ini, maka output maksimum Full Adder 4 bit bukan lagi 4 bit, melainkan 5 bit yaitu 11111(biner) atau 31(desimal), sekarang kita bisa tau perbedaan Carry in dengan Carry out terhadap Full Adder serta pengaruh yang di timbulkannya.
  • Pada percobaan 2 adalah rangkaian Full Adder 8 bit dan berdasarkan pengamatan, ternyata prinsip kerjanya masih sama seperti Full Adder 4 bit, hanya saja nilai maksimumnya lebih besar, yaitu 11111111(biner) atau 255(desimal) ini adalah output maksimum saat Carry out pasif (Cout=0), sedangkan saat Carry out aktif (Cout=1), maka output maksimumnya menjadi 111111111(biner) atau 511(desimal).

Rekomendasi Artikel Terkait:

Referensi:
Modul SMTIK El Rahma Yogyakarta (oleh : Eko Yunianto / Ecko Anto)

3 Komentar

  1. truth tabel ada di video,, padahal harapan saya terhadap tulisan ini adalah agar pembaca tidak hanya sekedar mendapat contekan saja, melainkan benar - benar bisa memahami juga terhadap apa yang sudah Ia dapatkan, begitu gan, terimakasih

    BalasHapus
  2. Hii Unknown, software yang saya pake adalah "Multisim" besutan National Instrument .. silakan bisa download di www.ni.com

    BalasHapus
  3. ane gak pake proteus gan, tapi pake Multisim, barangkali proteus yang agan pake ada fitur import from *ms11, brarti agan bisa pake file di atas, silakan download aja, tapi kalo gak ada, ya apa boleh buat.

    BalasHapus
Lebih baru Lebih lama

نموذج الاتصال