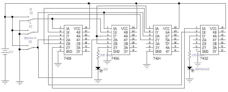
Sebuah Half subtractor adalah suatu rangkaian yang dapat digunakan untuk melakukan operasi pengurangan data-data bilangan biner hinga 1 bit saja. Half Subtractor mempunyai karakteristik : 2 masukan yaitu input A dan B serta 2 keluaran yaitu Diference (Dif) dan Borow (Br). Pada contoh berikut, input B sebagai bilangan pengurangnya dan input A sebagai bilangan yang dikurang. Sedangkan Rangkaian ful subtractor digunakan untuk melakukan operasi pengurangan bilangan biner yang lebih dari 1 bit. Dengan 3 terminal input yang dimilkinya yaitu A, B, serta terminal Borow input dan 2 terminal output yaitu Dif dan Borow out.
TUJUAN
- Agar mahasiswa mampu memahami prinsip kerja Rangkaian Half Subtractor maupun Full Subtractor
- Agar mahasiswa mampu menyusun rangkaian Subtractor menggunakan gerbang logika dasar.
| Gb. Half Subtractor |
![]() |
| Gb. Full Subtractor |
Langkah Praktikum
- Siapkan peralatan dan bahan yang dibutuhkan.
- Mengimplementasikan skema rangkaian yang akan diuji ke dalam project board dan pastikan semua sambungan dan pengkabelan baik dan benar.
- Sambungkan adaptor ke stop kontak, kemudian cek keluaran dari adaptor tersebut.
- Berikan input dengan logika 0 dengan cara menyambungkan input ke ground dan 1 dengan cara menyambungkan input ke catu daya positif (+5v)
- Lakukan langkah 6 sesuai dengan kebutuhan tabel kebenaran.
- Amati perubahan LED dan catat hasilnya pada tabel hasil praktikum.
- Ulangi langkah 2 – 6 pada rangkaian praktikum yang lain.
- Selesai.
PERCOBAAN 1 (Half Subtractor)
| Half Subtractor |
Tabel kebenaran hasil praktikum
PERCOBAAN 2 (Full Subtractor)
![]() |
| Full Subtractor |
Tabel kebenaran hasil praktikum
EVALUASI DAN KESIMPULAN
- Berdasarkan hasil percobaan 1 (half Subtractor), membuktikan bahwa selama nilai terkurang (A) ≥ pengurang (B), maka out Borrow selalu 0, tapi jika nilai terkurang (A) < pengurang (B), maka out Borrow selalu high(1),
- Sedangkan Out Difference pada percobaan 1 akan bernilai high(1), jika salah satu dari kedua inputnya bernilai high(1).
- Pada percobaan 2 (Full Subtractor), membuktikan bahwa prinsip kerjanya juga masih sama dengan percobaan 1, hanya saja perbedaannya terletak pada inputnya, yaitu memiliki 3 input (A, B, dan Borrow in).
- Masih percobaan 2 yaitu, Borrow out akan bernilai high(1) selama nilai terkurang (A atau B) < pengurang (B atau Borrow in), sedangkan Difference akan bernilai high(1), jika salah satu atau ketiga inputnya bernilai high(1).
- Kenapa saat A = 0 dan B = 1, membuat Dif Out = 1 Dan Borrow Out = 1?, berdasarkan percobaan 1 maupun 2, maka jawabannya adalah sebagaimana yang telah dijelaskan dalam Teori Dasar (pendukung) tentang diagram logic, bahwa karakteristik Dif Out dapat di expresikan sebagaimana XOR = A’.B + A.B’, sehingga saat salah satu input berlogic 1, maka Dif Out berlogic 1.
- Sedangkan Borrow Out tersusun dari kombinasi gerbang NOT dan AND, sehingga membentuk persamaan Borrow Out = A’.B, hal ini dirancang khusus untuk mengatasi saat kondisi input terkurang < pengurang atau 0 – 1.
- Sementara untuk percobaan 2 juga sama, dimana Dif Out = XOR, jadi bisa kita contohkan seperti berikut ini :
- Saat semua input high, Borrow in = 1 (+) (B = 1 (+) A = 1) = 0 (+) 1 = 1
- Atau saat salah satu dari ketiga input high, Borrow in = 0 (+) (B = 1 (+) A = 0) = 1 (+) 0 = 1
- Sementara itu, Borrow Out akan bernilai high saat kondisi terkurang < pengurang atau 0 – 1, karena Borrow Out tersusun dari gerbang NOT, AND dan OR, sehingga terbentuklah persamaan ini, jika A’ – B = x, maka Borrow Out = (x’ . Borrow in) + x.
Referensi:
Modul SMTIK El Rahma Yogyakarta (oleh : Eko Yunianto / Ecko Anto)


Halo MUHAMMAD SAEPULLOH, thanks
BalasHapusHii genta, saya kasih clue-nya saja ya, biar fairplay dan gak terlalu fulgar dan biar sama-sama belajar. Jadi kamu bisa buat tabel dengan 3 kolom berjudul NO., Half dan Full.
BalasHapusKemudaian untuk poin-poin yang bisa dicompare, kamu bisa mulai dari no.1 Konfigurasi/Rangkaiannnya, no.2 karakteristik input-outputnya, no.3 kesimpulan dari tabel kebenarannya.
saya kira itu saja sudah cukup, terimakasih dan selamat belajar, good luck!